关闭
网站首页
产品展示
关于我们
新闻中心
企业相册
下载中心
联系我们

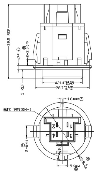
TDK-2513(圆形自复位按钮)

新能源车、商用车及工程车辆。
  • 热线电话

    13974885210

  • 微信公众号

    扫一扫,立即报价

13974885210

1.背光灯颜色及状态:产品上电红色常亮;

2.工作电压:DC 24V(9-36V);

3.负载电流:500mA;

4.按键力:按键力6±2N;

5.行程:大于2.5mm;

6.寿命:>100万次;

7.按键形式:自复位式按键;

8.工作温度:-40℃~+85℃,储存温度:-40℃~+85℃;

9.防护等级:IP5K2;

10.产品符合ROHS标准,阻燃等级UL94-HB;


其他产品
相关文章
我要询价
×