
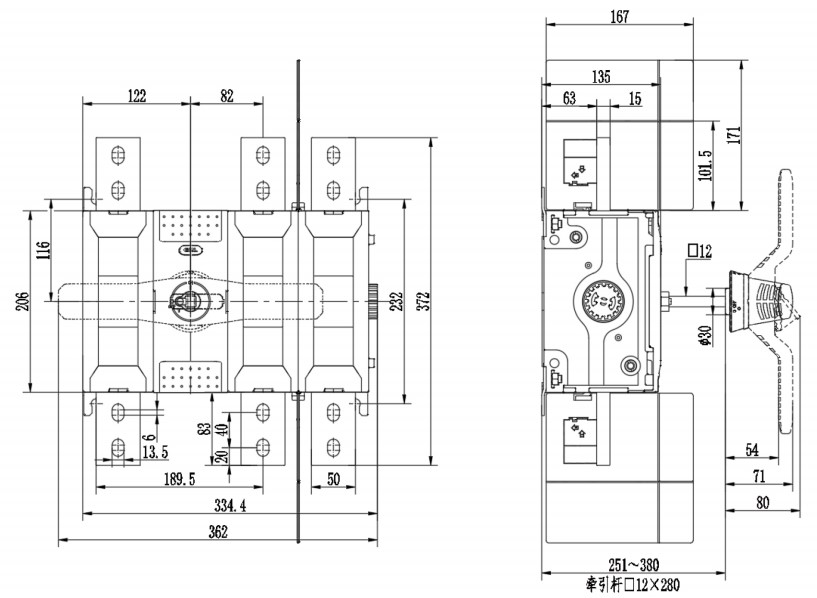
技术要求:
1.重量:20 kg;
2.操作力矩:65 N.M;
3.约定发热电流Ith:1600 A;
4.额定工作电流Ie:1000A,1250A,1600A;
5.极数:3P;
6.辅助触点:1常开,1常闭;
7.额定绝缘电压Ui:AC1000;
8.额定短时耐受电流Icw:50KA(690V/1S);
9.寿命:机械3000次,电气500次;
10.端子锁附:螺钉规格:M12*60,拧紧力矩:50-75N.M;
11.污染等级:3级;
12工作海拔:不超过2000m(超过2000m需要降容);
13.工作温度:-40℃ to +85℃;
14.防护等级:IP20;